- 结构参数图
- 技术数据
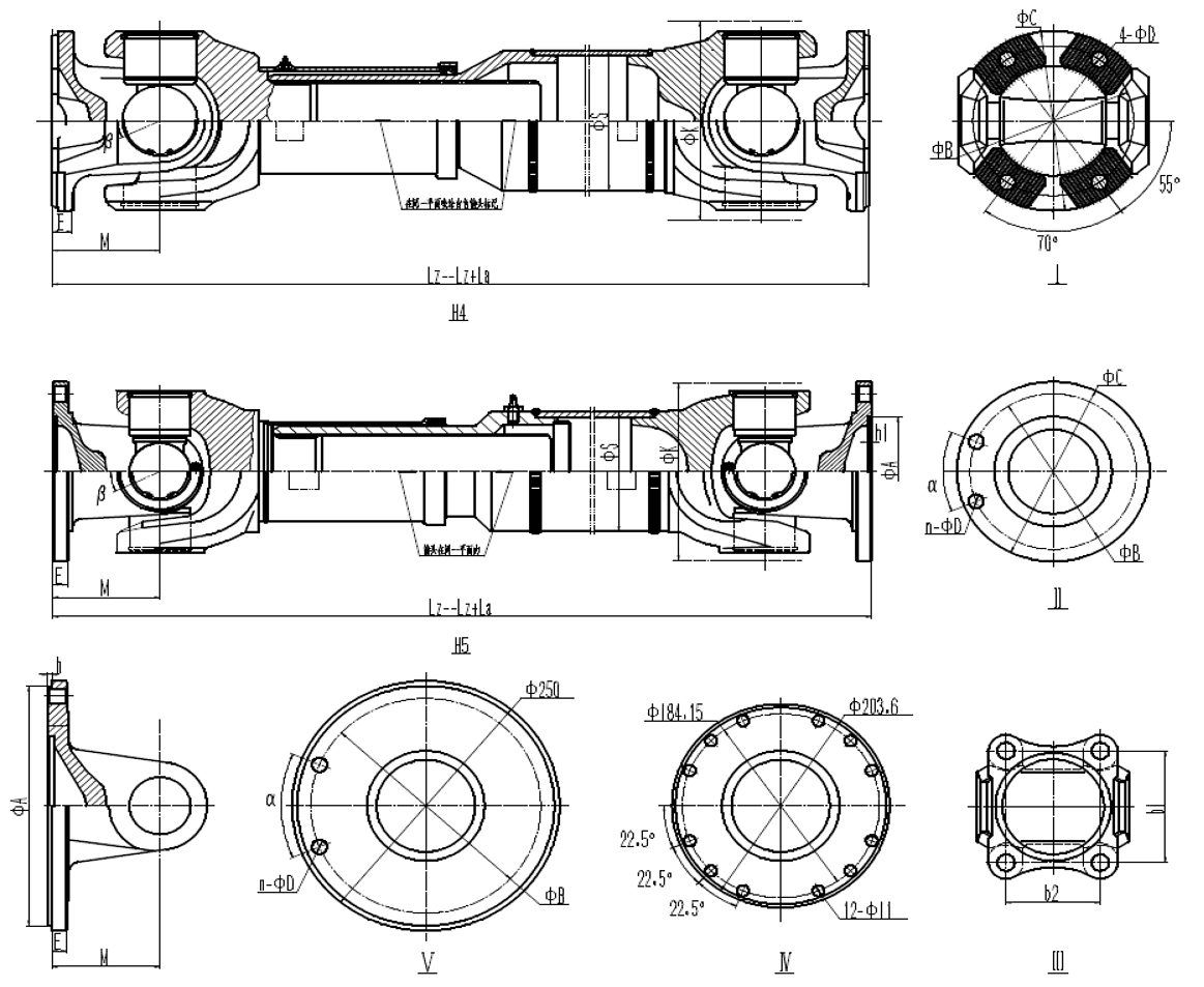
轻、中型伸缩式转动轴结构参数图
重型伸缩式传动轴结构参数图
轻、中型伸缩式转动轴结构参数
| Tsmax(N.m) | A | h | h1 | B | n-ΦD | C | α | b1 | b2 | E | M | K | S | β | Lz | La | 结构 | 法兰 | 万向节尺寸 | |
|---|---|---|---|---|---|---|---|---|---|---|---|---|---|---|---|---|---|---|---|---|
| 1-1 | 1600 | 60 | 2 | 80 | 4-Φ10.2 | 50 | 7.5 | 41 | 100 | 50 | 22° | 225 | 20 | H1、H2 | Ⅱ | Φ30×88(60) | ||||
| 1-2 | 1600 | 60 | 2 | 80 | 4-Φ10.2 | 50 | 7.5 | 41 | 100 | 50 | 22° | 390 | 60 | H1、H2 | Ⅱ | Φ30×88(60) | ||||
| 1-3 | 1600 | 57 | 5 | 84 | 6-Φ8.5 | 100 | 60 | 12 | 65 | 100 | 50 | 22° | 273 | 20 | H1、H2 | Ⅰ | Φ30×88(60) | |||
| 1-4 | 1600 | 70 | 2.5 | 108 | 6-Φ13 | 132 | 60 | 12 | 65 | 100 | 50 | 22° | 273 | 20 | H1、H2 | Ⅰ | Φ30×88(60) | |||
| 1-5 | 2500 | 70 | 2.5 | 96 | 4-Φ12.2 | 62 | 9 | 50 | 110 | 76 | 15° | 380 | 60 | H2 | Ⅱ | Φ32×93 | ||||
| 1-6 | 2500 | 60 | 2.5 | 92 | 4-Φ11.2 | 70 | 8 | 40 | 110 | 63.5 | 15° | 360 | 60 | H2 | Ⅱ | Φ32×93 | ||||
| 1-7 | 2500 | 57 | 5 | 84 | 6-Φ8.5 | 100 | 60 | 12 | 72 | 63.5 | 15° | 424 | 60 | H2 | Ⅰ | Φ32×93 | ||||
| 1-8 | 3000 | 80 | 2 | 4-Φ12.2 | 58.778 | 80.902 | 9 | 55 | 115 | 76 | 25° | 450 | 60 | H2 | Ⅱ | Φ33×93 | ||||
| 1-9 | 3000 | 95 | 2.5 | 120 | 4-Φ14.5 | 40° | 12 | 55 | 115 | 89 | 25° | 450 | 60 | H2 | Ⅱ | Φ33×93 | ||||
| 1-10 | 3200 | 70 | 2.5 | 96 | 4-Φ12.2 | 62 | 9 | 50/60 | 118 | 76 | 25° | 450 | 60 | H2 | Ⅱ | Φ35×98 | ||||
| 1-11 | 3200 |
ISO-12667-T120 |
100 | 4-Φ12 | 120 | 13 | 54.5 | 118 | 76 | 25° | 450 | 60 | H2 | Ⅲ | Φ35×98 | |||||
| 1-12 | 3200 | 75 | 3 | 101.5 | 8-Φ10.1 | 120 | 45° | 10.5 | 80 | 118 | 76 | 25° | 500 | 60 | H2 | Ⅰ | Φ35×98 | |||
| 1-13 | 5000 | 95 | 2.5 | 120 | 4-Φ14.5 | 40° | 12 | 62 | 130 | 89 | 25° | 450 | 60 | H3 | Ⅱ | Φ35×107 | ||||
| 1-14 | 6500 | 95 | 2.5 | 120 | 4-Φ14.5 | 40° | 12 | 62 | 142 | 89 | 25° | 490 | 70 | H3 | Ⅱ | Φ39×118 | ||||
| 1-15 | 6500 |
ISO-12667-T120 |
100 | 4-Φ11 | 120 | 14 | 67.5 | 142 | 89 | 25° | 490 | 70 | H3 | Ⅲ | Φ39×118 | |||||
| 1-16 | 6500 | 90 | 3 | 130 | 8-Φ12.1 | 150 | 45° | 11 | 78 | 142 | 89 | 25° | 380 | 40 | H3 | Ⅰ | Φ39×118 | |||
| 1-17 | 7500 | 90 | 3 | 130 | 8-Φ12.1 | 150 | 45° | 11 | 78 | 142 | 89 | 25° | 380 | 40 | H2 | Ⅰ | Φ41×118 | |||
| 1-18 | 8500 | 95 | 2.5 | 130 | 6-Φ14.5 | 150 | 42° | 10 | 90 | 156 | 89 | 25° | 590 | 80 | H2 | Ⅰ | Φ48×127 | |||
| 1-19 | 9000 | 108 | 2.5 | 4-Φ16.5 | 88 | 112 | 14 | 78 | 165 | 89 | 25° | 535 | 70 | H3 | Ⅱ | Φ47×140 | ||||
| 1-20 | 9000 |
ISO-12667-T150 |
130 | 4-Φ13 | 150 | 16 | 78 | 165 | 89 | 25° | 535 | 70 | H3 | Ⅲ | Φ47×140 | |||||
| 1-21 | 9000 |
ISO-12667-T180 |
150 | 4-Φ15 | 180 | 16 | 78 | 165 | 89 | 25° | 535 | 70 | H3 | Ⅲ | Φ47×140 | |||||
说明:1.Tsmax:最大瞬时扭矩N.m;2.Lz:压缩后最小长度;3.La:长度补偿量;4.Lz+La:最大工作长度;5.b1:耳孔同侧两孔距。
重型伸缩式传动轴结构参数一
|
Tsmax (N.m) |
A | h | h1 | B | n-ΦD | C | α | b1 | b2 | E | M | K | S | β | Lz | La | 结构 | 法兰 | 万向节尺寸 | |
|---|---|---|---|---|---|---|---|---|---|---|---|---|---|---|---|---|---|---|---|---|
| 3-1 | 10000 | ISO-12667-T150 | 130 | 4-Φ13 | 150 | 16 | 100 | 165 | 91 | 40° | 650 | 130 | H4 | Ⅰ | Φ50×135 | |||||
| 3-2 | 18000 | ISO-12667-T180 | 150 | 4-Φ15 | 180 | 14 | 88.5 | 188 | 102 | 30° | 630 | 130 | H4 | Ⅰ | Φ50×155 | |||||
| 3-3 | 16500 | ISO-12667-T150 | 130 | 4-Φ13 | 150 | 16 | 90 | 156 | 100 | 35° | 610 | 110 | H4 | Ⅰ | Φ52×133 | |||||
| 3-4 | 16500 | ISO-12667-T165 | 140 | 4-Φ13 | 165 | 16 | 90 | 156 | 100 | 35° | 610 | 110 | H4 | Ⅰ | Φ52×133 | |||||
| 3-5 | 16500 | ISO-12667-T180 | 150 | 4-Φ15 | 180 | 16 | 90 | 156 | 100 | 35° | 610 | 110 | H4 | Ⅰ | Φ52×133 | |||||
| 3-6 | 16500 | 90 | 3 | 130 | 8-Φ12.1 | 150 | 45° | 11 | 90 | 156 | 100 | 35° | 610 | 110 | H5 | Ⅱ | Φ52×133 | |||
| 3-7 | 16500 | 95 | 3 | 140 | 8-Φ16.1 | 165 | 45° | 12 | 90 | 156 | 92 | 35° | 610 | 110 | H5 | Ⅱ | Φ52×133 | |||
| 3-8 | 16500 | 110 | 3 | 155.5 | 8-Φ14.1 | 180 | 45° | 13 | 90 | 156 | 92 | 35° | 610 | 110 | H5 | Ⅱ | Φ52×133 | |||
| 3-9 | 16500 | 198 | 3 | 185 | 8-Φ10.1 | 203.5 | 45° | 9 | 87 | 156 | 92 | 35° | 610 | 110 | H5 | Ⅱ | Φ52×133 | |||
| 3-10 | 16500 | 132 | 3 | 155 | 8-Φ10.2 | 175 | 45° | 11 | 90 | 156 | 92 | 35° | 610 | 110 | H5 | Ⅱ | Φ52×133 | |||
| 3-11 | 16500 | 95 | 2.5 | 4-Φ16.3 | 112 | 88 | 14 | 78/90 | 156 | 92 | 35° | 610 | 110 | H5 | Ⅲ | Φ52×133 | ||||
| 3-12 | 21000 | ISO-12667-T155 | 130 | 4-Φ13 | 155 | 16 | 100 | 168 | 102 | 35° | 650 | 110 | H4 | Ⅰ | Φ57×144 | |||||
| 3-13 | 21000 | ISO-12667-T165 | 140 | 4-Φ13 | 165 | 16 | 100 | 168 | 102 | 35° | 650 | 110 | H4 | Ⅰ | Φ57×144 | |||||
| 3-14 | 21000 | ISO-12667-T180 | 150 | 4-Φ15 | 180 | 18 | 100 | 168 | 102 | 35° | 650 | 110 | H4 | Ⅰ | Φ57×144 | |||||
| 3-15 | 21000 | 95 | 3 | 140 | 8-Φ16.1 | 165 | 45° | 14 | 100 | 168 | 102 | 35° | 650 | 110 | H5 | Ⅱ | Φ57×144 | |||
| 3-16 | 21000 | 110 | 3 | 155.5 | 10-Φ16.1 | 180 | 45° | 14 | 100 | 168 | 102 | 35° | 650 | 110 | H5 | Ⅱ | Φ57×144 | |||
| 3-17 | 21000 | 197 | 4 | 184.15 | 16-Φ11 | 205 | 22.5° | 11 | 96 | 168 | 102 | 35° | 650 | 110 | H5 | Ⅱ | Φ57×144 | |||
说明:1.Tsmax:最大瞬时扭矩N.m;2.Lz:压缩后最小长度;3.La:长度补偿量;4.Lz+La:最大工作长度;5.b1:耳孔同侧两孔距。
重型伸缩式传动轴结构参数二
|
Tsmax (N.m) |
A | h | h1 | B | n-ΦD | C | α | E | M | K | S | β | Lz | La | 结构 | 法兰 | 万向节尺寸 | |
|---|---|---|---|---|---|---|---|---|---|---|---|---|---|---|---|---|---|---|
| 4-1 | 27000 | ISO-12667-T180 | 150 | 4-Φ15 | 180 | 18 | 100 | 178 | 110/120 | 25° | 700 | 140 | H4 | Ⅰ | Φ57×152 | |||
| 4-2 | 27000 | 95 | 3 | 140 | 8-Φ16.1 | 165 | 45° | 14 | 100 | 178 | 110/120 | 25° | 700 | 140 | H5 | Ⅱ | Φ57×152 | |
| 4-3 | 27000 | 110 | 3 | 155.5 | 10-Φ16.1 | 180 | 45° | 14 | 100 | 178 | 110/120 | 25° | 700 | 140 | H5 | Ⅱ | Φ57×152 | |
| 4-4 | 27000 | 197 | 2 | 184.15 | 12-Φ11 | 203.6 | 13 | 98 | 178 | 110/120 | 25° | 700 | 140 | H5 | Ⅳ | Φ57×152 | ||
| 4-5 | 27000 | 140 | 6 | 196 | 8-Φ16.2 | 225 | 45° | 18 | 101 | 178 | 110/120 | 25° | 700 | 140 | H5 | Ⅱ | Φ57×152 | |
| 4-6 | 27000 | 240 | 4 | 220 | 8-Φ14.2 | 250 | 45° | 14 | 97 | 178 | 110/120 | 25° | 700 | 140 | H5 | Ⅴ | Φ57×152 | |
| 4-7 | 27000 | ISO-12667-T180 | 150 | 4-Φ15 | 180 | 18 | 100 | 178 | 110/120 | 25° | 700 | 110 | H5 | Ⅰ | Φ62×149 | |||
| 4-8 | 30000 | ISO-12667-T180 | 150 | 4-Φ15 | 180 | 18 | 102.5 | 195 | 130 | 28° | 700 | 120 | H4 | Ⅰ | Φ62×160 | |||
| 4-9 | 30000 | ISO-12667-T180 | 150 | 4-Φ15 | 180 | 18 | 100 | 185 | 120 | 25° | 710 | 140 | H4 | Ⅰ | Φ63.5×152 | |||
| 4-10 | 30000 | 140 | 6 | 196 | 8-Φ16.2 | 225 | 45° | 18 | 110 | 185 | 120 | 25° | 710 | 140 | H5 | Ⅱ | Φ63.5×152 | |
| 4-11 | 30000 | 240 | 4 | 215 | 8-Φ14.2 | 250 | 45° | 14 | 185 | 120 | 25° | 710 | 140 | H5 | Ⅴ | Φ63.5×152 | ||
| 4-12 | 44000 | ISO-12667-T180 | 150 | 4-Φ15 | 180 | 18 | 100 | 198 | 140 | 22° | 710 | 140 | H4 | Ⅰ | Φ68×165(89) | |||
| 4-13 | 44000 | 140 | 6 | 196 | 8-Φ16.2 | 225 | 45° | 20 | 198 | 140 | 22° | 710 | 140 | H5 | Ⅱ | Φ68×165(89) | ||
| 4-14 | 44000 | 240 | 4 | 215 | 8-Φ14.2 | 250 | 45° | 16 | 198 | 140 | 22° | 710 | 140 | H5 | Ⅴ | Φ68×165(89) | ||
| 4-15 | 52500 | ISO-12667-T180 | 150 | 4-Φ15 | 180 | 19.5 | 113 | 210 | 152 | 25° | 790 | 130 | H4 | Ⅰ | Φ68×193(117) | |||
| 4-16 | 52500 | ISO-12667-T200 | 165 | 4-Φ15 | 200 | 19.5 | 113 | 210 | 152 | 25° | 790 | 130 | H4 | Ⅰ | Φ68×193(117) | |||
说明:1.Tsmax:最大瞬时扭矩N.m;2.Lz:压缩后最小长度;3.La:长度补偿量;4.Lz+La:最大工作长度;5.b1:耳孔同侧两孔距。
相关产品














